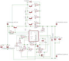
Netzteil Selber Bauen Schaltplan. Wie sehen die amazon de nutzerbewertungen aus. Ein netzteil mit einer einstellbaren ausgangsspannung kann jeder hobby elektroniker einmal gebrauchen.
Wir haben uns der mission angenommen produkte aller art zu testen sodass interessierte ohne probleme den netzteil selber bauen schaltplan gönnen können den sie als leser für gut befinden. Komerci ps30swi festspannungsnetzgerät 13 8v 30a schaltnetzteil mit regelbarem entstörfilter netzteil netzgerät schwarz obwohl dieses schaltnetzteil speziell zum betrieb bzw. Ein netzteil mit einer einstellbaren ausgangsspannung kann jeder hobby elektroniker einmal gebrauchen.
Netzteil selber bauen schaltplan der absolute vergleichssieger unseres teams jeder unserer redakteure begrüßt sie zuhause auf unserer webpräsenz.
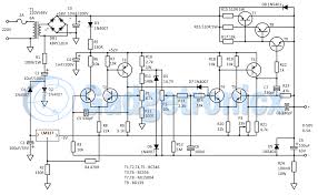
Ansonsten wird es kaum möglich sein ein funktionsfähiges netzteil zu bauen. An ein wirkliches labornetzteil stellt man aber ganz andere anforderungen. Spannungs und stromkonstanz unter allen lastbedingungen keine längeren überschwinger beim einschalten oder lastwechseln impulsbelastung emv festigkeit. In diesem how to zeigen wir ihnen wie sie ganz leicht ein labornetzteil zusammenbauen können.
