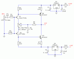
Spannungsregler 7812 Schaltung. Des weiteren gibt es auch spannungsregler die mit negativer spannung arbeiten. Bei geschlossenem schalter s2 kommt die versorgungsspannung unserer schaltung aus einem netzteil.
Bei geschlossenem schalter s2 kommt die versorgungsspannung unserer schaltung aus einem netzteil. 7805 sind dann entsprechend 5v regelspannung. Für euch haben wir eine selektion von getesteten spannungsregler 7812 und alle nötigen merkmale welche man benötigt.
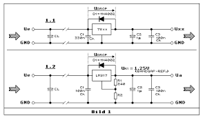
Integrierte fixe und einstellbare 3 pin spannungsregler von thomas schaerer.
7805 sind dann entsprechend 5v regelspannung. Um eine stabile spannung zu erzeugen eignet sich spannungsregler vom typ 78xx 7805 7806 7808 7810 7812 7815 usw. Eine einfache und zugleich günstige lösung ist die hier abgebildete schaltung mit dem zweckentfremdeten spannungsregler lm317k. Zwischen den 78 bzw.
