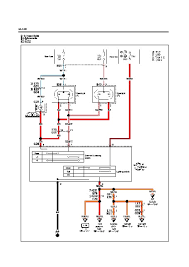
Zusatzscheinwerfer Relais Schaltplan. Zusatzscheinwerfer installieren montieren schaltplan lkw pkw. Den scheinwerfern lagen ein schalter ein relais und ein kabel bei.
Ich muß also an das entsprechende relais am. Lest euch mal bitte meine. Relais ein um 25 jahre später in einem internetforum.
Für das kabel das die nebelscheinwerfer mit strom versorgt benötigen sie einen querschnitt von 2 5 quadrat.
Dodge ram scheinwerfer schwach. Fruher nur einfach an das jeweilige kabel des normalen fernlicht und an masse geklemmtjetzt sagt mir jemand da sollte ein relais zwischenwofur soll das gut sein fahre immer nur kurze strecken mit fernlicht. Schaltplan relais zusatzscheinwerfer by facybulka posted on november 9 2016 9 views. Das anschließen der nebelscheinwerfer.
